基于N32H474的应用于AI服务器高功率密度两相交错无桥图腾PFC数字电源参考设计方案
在AI数据中心、电动汽车充电及工商业储能等高要求场景中,电源系统正面临前所未有的挑战:更高的功率密度、更低的谐波失真(THD)以及突破99%的转换效率,已成为衡量一款优秀电源方案的核心标尺。
为应对这一趋势,国民技术推出 NS3KW420VP2数字电源参考设计方案,一款基于SiC器件与数字控制架构的3kW两相交错无桥图腾PFC,在紧凑体积内实现了6444W/L的超高功率密度与峰值效率99.0% 的优异表现。

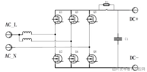
01 核心架构:SiC + 两相交错无桥图腾PFC
NS3KW420VP2方案采用两相交错无桥图腾PFC拓扑,工作于CCM(连续导通模式),输入电压范围覆盖176V–264V AC,输出420V DC母线,额定功率3000W,实现了>99.0%的PFC级效率和极低THD。
在器件选型上,方案充分体现了第三代半导体优势:
● 快速桥臂:采用SiC MOSFET,彻底克服传统硅器件体二极管反向恢复带来的损耗与可靠性问题;
● 工频桥臂:使用Si MOSFET,兼顾成本与性能。
两相交错结构不仅将输入电流纹波频率加倍,大幅减小滤波器体积,还有效降低了每相功率器件的电流应力,为高功率密度设计奠定基础。
PFC拓扑结构如下图:

02 数字控制:N32H474 MCU + HunterWave OS生态
方案的核心“大脑”采用国民技术高性能MCU N32H474VEL7-W,基于ARM Cortex‑M4F内核,最高主频240MHz,集成高精度ADC、增强型PWM模块以及丰富且可任意配置的外设接口,单芯片可同时完成两相PFC的精准时序控制、均流调节与多重保护,降低了方案整体BOM成本和设计复杂度。N32H474VEL7-W数字电源应用关键
特性如下:
● 高性能,实时控制电源性能
— 240MHz @ARM-Cortex-M4F 性能达300DMIPS
— 内置硬件数学函数加速器Cordic,支持整点和浮点运算
— 内置FMAC,支持FIR和IIR加速
● 高集成度模拟器件,简化硬件设计
— 4 x 12-bit 4.7MSPS ADC,最多支持51个通道
— 8 x 12-bit DAC
— 7 x COMP,任意比较器输出可内部连接到任意一个FAULT或EEV输入
● 高精度定时器,为数字电源提供了保障
— 1 x 16-bit SHRTIM,12x PWM(125ps), 相位可调,10个外部输入事件,可任意I/O映射
— 3 x 16-bit ATIM,每一路ATIM支持6个独立通道,其中4个通道支持4对互补PWM输出
● 丰富且可任意配置的外设接口,支持多节点同步控制
— 8 x U(S)ART,其中3个UART支持任意I/O映射,硬件级485使能驱动
— 3 x CAN-FD ,支持任意I/O映射
更值得关注的是,该方案依托国民技术自研 HunterWave OS嵌入式生态,配置的图形化调试工具HunterWave OS DebugTool以及可视化波形调试工具HunterWave OS Graphic等系列工具,支持:
● 实时参数在线配置
● 关键波形(输入电压/电流、输出电压/电流)动态监测
● 一站式保护策略管理(过温、过流、过压、欠压等)
这一软硬协同架构,不仅提升了调试效率,更使电源系统具备了“可观测、可调节、可升级”的智能化能力。
数字控制应用框图,如下所示:

03 性能实测:99.0%效率 + THD < 5%
实测数据是检验电源方案最有力的语言:

从附图中可见,在220V AC满载工况下,输入电流波形平滑跟随电压,无明显过零畸变,表明其CCM控制策略与SiC器件协同工作达到了极佳的电流整形效果。

注:上图为100%负载下测得波形。CH2输入交流电压,CH3输出直流电压,CH5输出电流,CH6输入交流电流

注:上图为25%负载下测得波形。CH2输入交流电压,CH3输出直流电压,CH5输出电流,CH6输入交流电流

注:整机效率曲线

注:不同负载率下整机效率

注:THD数据
04 紧凑设计:6444W/L的工程突破
在物理尺寸方面,NS3KW420VP2方案采用模块化PCB布局,包含:
● 母板
● MCU核心板
● 12V与±12V辅助电源板
● 快速桥臂与工频桥臂独立功率板
整机尺寸仅为190mm×70mm×35mm(不含外部散热器),对应功率密度高达6444W/L。这一指标意味着,在同等功率等级下,该方案可显著缩小设备体积,为服务器机架、充电模块等空间受限场景提供极具竞争力的选择。

图片
05 目标应用:从AI服务器到车载充电
● AI数据中心电源
● 钛金级PC电源
● 通信整流模块
● 工业AC/DC电源
● 电动汽车车载充
电机
(OBC)
● 工商储能系统功率转换单元
06 总结:高效·高密·智能的3kW PFC参考设计方案
国民技术NS3KW420VP2数字电源参考设计方案,并非一次简单的拓扑堆砌,而是SiC宽禁带器件、交错软开关拓扑与数字控制平台三者深度融合的成果。它不仅为工程师提供了一个可直接参考的3kW PFC前端设计,更通过HunterWave OS生态展示了数字电源从“硬件定义”走向“软件定义” 的技术演进方向。
如需获取完整设计文档、原理图或评估板信息,欢迎联系本地销售团队或者授权代理商。
资料下载地址:
本地销售团队/授权代理商:
