关于ME主机LDCL系统全面知识介绍和故障处理
船舶讲武堂技能快速提升学习资料购买,点击下方链接获取详情!
船舶讲武堂资料焕新优惠开售,合订版返现88元,其它返48元...技能提升好帮手!
Load Dependent Cylinder Liner(LDCL)即负荷依存式缸套冷却系统,是MAN Energy Solutions为解决二冲程船用柴油机缸套低温腐蚀问题研发的核心冷却系统,主要应用于MAN B&W新型G型、S型ME系列主机。该系统通过根据主机负荷动态调节缸套冷却水温度,从根本上规避低负荷工况下的硫酸凝结腐蚀问题,同时适配IMO硫含量法规要求,成为现代船用MAN柴油机的关键配套系统。
一、LDCL系统的研发背景与核心作用
(一)研发背景
传统MC机型柴油机的冷却水系统为定温设计,而新型ME主机为追求高功率、高效率,采用超长行程、高爆压设计,导致燃气在气缸内停留时间延长。当使用高硫燃油时,燃烧产生的SO₂进一步氧化为SO₃,与空气中的水蒸气结合形成硫酸,硫酸露点约为150℃-200℃。

主机低负荷/低转速运行时,缸套温度易降至硫酸露点以下,硫酸会在缸套壁凝结,造成低温腐蚀,表现为缸套和活塞环寿命缩短、气缸油消耗剧增。且ME主机低负荷时冷却水量与实际工况不匹配,低温腐蚀问题较MC机型更为严重。2012年后,二冲程柴油机缸套冷腐蚀问题频发,LDCL系统应运而生,成为解决该问题的核心方案。
(二)核心作用
1.防低温腐蚀:低负荷时提高缸套冷却水温度,使其始终高于硫酸露点,避免硫酸凝结;高负荷时降低水温,保证缸套散热效果,平衡热应力。
2.动态温度调节:根据主机负荷自动调整缸套冷却水温度,50%负荷以下保持缸套水出口温度约120℃,70%负荷时降至115℃,高负荷时恢复常规散热,缸盖水出口温度稳定在85℃。
3.适配法规要求:针对IMO 2020年全球0.5%硫含量限值法规,可实现低硫燃油工况下的系统停用,兼顾运行效率与法规合规性。
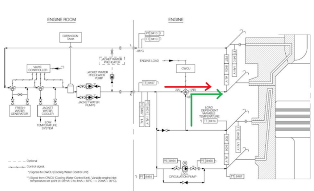
二、LDCL系统的组成与工作原理
(一)系统组成

LDCL系统在传统MC机型冷却水系统基础上升级,核心组成包括硬件部件和控制单元,新增部件均为适配负荷动态调节的关键结构:
LDCL循环泵介绍(来自于互联网)
1.LDCL循环泵:为缸套水再循环提供动力,吸入主冷却水与缸套加热后的"沸水"混合,实现水温提升。
2.气动三通混合阀:连接高温淡水进机总管、缸盖水进机总管、缸套水出口总管,通过开度调节控制缸套水再循环比例,是温度调节的核心执行部件。
3.冷却水控制单元(CWCU):核心为MPC控制板,接收主机负荷、转速、硫含量、冷却水温度/压力等信号,输出两路控制指令,是系统的"大脑"。
4.高温淡水温度控制阀:调节高温淡水冷却器旁通阀开度,控制缸盖水进口温度,保证缸盖水出口温度稳定在85℃。
5.检测与变送部件:包括PT100温度传感器、差压变送器、压力传感器,实时监测冷却水温度、进出口压差、泵体压力等参数。
6.专用管路与密封件:新增两套冷却水管路,配套耐高压O型圈(低负荷水温超100℃,需增大压力保证水为液态)。
(二)工作原理
LDCL系统的核心逻辑是通过缸套水再循环实现温度动态调节,由CWCU根据主机负荷和燃油硫含量信号,精准控制三通阀开度和循环泵运行状态,具体工作过程分为三个阶段:


1.低负荷工况(≤50%负荷):CWCU控制三通阀关闭3B-1AB通道、打开2A-1AB通道,缸套水经LDCL循环泵形成封闭再循环回路,缸套加热后的冷却水再次进入缸套,使缸套水出口温度保持在120℃左右,高于硫酸露点,避免腐蚀。
2.中负荷工况(50%-85%负荷):随主机负荷升高,CWCU逐步增大三通阀3B-1AB通道开度,部分缸套水排入缸盖水循环系统散热,缸套水出口温度随负荷线性降低(70%负荷时约115℃),平衡散热与防腐蚀需求。
3.高负荷工况(≥85%负荷):三通阀3B-1AB通道完全打开,LDCL循环泵停止运行,缸套水直接进入缸盖水循环,系统恢复传统MC机型定温冷却模式,保证高负荷下的充分散热。
同时,CWCU接收燃油硫含量信号,当使用≤0.5%低硫燃油时,因硫酸腐蚀风险大幅降低,系统可自动/手动停用,缸套水恢复常规温度控制。
三、LDCL系统的操作模式与法规适配
(一)主要操作模式
LDCL系统通过主机操作面板(MOP)实现自动(Automatic) 和手动(MANUAL) 模式切换,正常工况下优先使用自动模式,其启停受双重信号控制:
1.主机启停信号:主机启动指令发出后,LDCL循环泵立即启动,CWCU按程序调节三通阀至目标开度;主机停机时,三通阀缓慢打开3B-1AB通道(避免120℃缸套水快速排出产生热应力),LDCL泵保持运行,直至缸套温度降至设定值后停止。
2.燃油硫含量信号:MOP上设置硫含量(S%)参数,当S%≤0.5%时,系统自动停用;高硫燃油工况下,系统自动启动,无需人工干预。
手动模式主要用于故障排查和应急操作,可在MOP上直接启停LDCL循环泵、调节三通阀开度。
(二)IMO硫含量法规适配
2020年IMO法规规定,未安装脱硫塔的船舶需使用≤0.5%硫含量的低硫燃油(VLSFO),MAN Energy Solutions通过《Service Letter SL2020-692/KAMO》明确了LDCL系统的低硫燃油工况操作规范:
1.系统停用要求:使用≤0.5%S VLSFO时,可停用LDCL系统,腐蚀风险可通过常规手段控制,且SL2019-671/JAP明确推荐该工况下关闭LDCL系统。
2.分机型停用流程:根据发动机ECS软件版本(1312-3及更早/1312-4及更新)和发动机点号(4及以下/5及以上),LDCL系统分为4种变体,停用后冷却水温度、机械部件状态不同(如ECS 1312-3及更早+点号4及以下机型,停用后冷却水进口温度固定为65℃)。
3.参数更新建议:PrimeServ提供专用参数更新包(2020年Q2发布),更新后可实现主机启停时(负荷<5%)LDCL泵和三通阀的自动试运行,避免长期停用导致的部件卡滞,且建议低硫工况下保持LDCL泵运行,维持系统压力。
四、LDCL系统的安保功能与报警设置
LDCL系统在传统MC机型冷却水系统保护功能基础上,新增多项监测报警功能,形成多层级安保体系,报警触发后根据严重程度执行报警提示、主机降速(SLOW DOWN)、主机停机(SHUT DOWN) 三级操作,核心安保参数如下:
1.高温淡水进机低压:<0.35bar,主机降速;
2.缸套冷却水低压:<0.1bar,主机停机;
3.气缸盖冷却水进出口压差:<400mbar报警,<100mbar主机降速;
4.缸套水进出口压差:<300mbar报警,<100mbar主机降速;
5.缸套水出口温度高:>125℃报警,>130℃主机降速;
6.气缸盖冷却水出口温度高:>90℃报警,>95℃主机降速;
7.高温淡水进机低温:<62℃报警,仅提示不影响主机运行。
当三通阀故障、LDCL泵跳闸、循环泵出口压力下降等故障发生时,CWCU会立即控制三通阀至100%开启状态(3B-1AB),避免缸套超温或干烧,同时触发相应报警,便于轮机人员排查。
五、LDCL系统常见故障与解决措施
LDCL系统的故障主要集中在三通阀、LDCL循环泵、控制单元与检测部件,均为系统核心执行和感知部件,故障后易导致温度调节失效或报警停机,以下为常见故障及针对性解决措施:
(一)三通阀故障
三通阀是故障高发部件,主要表现为IP定位器故障和反馈机构故障,CWCU检测到故障后会立即停止LDCL泵,避免误调节。
1.IP定位器故障:先检查控制空气压力是否正常、空气管是否泄漏;若气源正常,对IP定位器进行初始化校准,校准无效则更换新定位器,且新定位器需复制原机参数(4-20mA指令/反馈信号匹配)。
2.反馈机构故障:船舶振动易导致反馈杆锁紧螺钉松脱,当实际开度与设定开度偏差>20%时触发报警。解决时将泵和定位器切至手动模式,手动调节反馈杆至开度吻合,重新固定螺钉即可。
3.阀门位置偏差:如指令20mA时阀门未至3B-1AB全开位置,需检查IP定位器的上升/下降设置,将指令和反馈信号均设为"下降"模式,匹配阀门开度与电流信号的对应关系。
(二)LDCL循环泵故障
循环泵跳闸、轴封漏水等故障为常见机械问题,系统设计有旁通保护功能:泵故障停止后,主冷却水泵压力经旁通管路和单向阀直接为缸套供水,只需保证三通阀至100%开启状态,主机即可按MC机型模式运行。
故障处理:待主机稳定运行后,关闭泵进出口阀,对泵进行维修/保养,无需停航;航行中若泵突发故障,无需紧急停机,优先切换至旁通模式。
(三)温度控制异常
表现为缸套水温度不随负荷变化、缸套水冷却器出口温度与实际值偏差大,核心原因是温控器设置错误或传感器/增益参数失配:
1.设定值未随负荷变化:检查温控器PCB上的DIP开关,将"内部设定值"切换为"外部设定值",使CWCU可向温控器发送负荷对应的温度指令。
2.温度读数偏差大:同一测点的PT100传感器向AMS和温控器发送的信号偏差超10℃时,若传感器电阻值正常,需调整温控器TC增益参数,逐步增大增益至温度读数与实际值匹配(原增益1000为基础调节)。
(四)压差报警故障
缸套水进出口压差低报警多为假故障,因三通阀未至正确位置导致缸套水内部循环、无有效流量。解决时检查三通阀开度,确保主机停机时阀门在3B-1AB全开位置,运行时按负荷调节至目标开度,同时检查差压变送器是否堵塞,定期校准。
六、LDCL系统的日常管理与停用规范
(一)日常管理要点
1.状态监控:通过MOP实时监测LDCL系统状态(自动/手动、泵运行状态、三通阀开度、冷却水温度/压力),确保参数与主机负荷匹配。
2.部件维护:定期检查三通阀控制空气管、LDCL泵轴封、传感器接线,备足IP定位器、PT100传感器、O型圈等易损备件。
3.试运行要求:系统长期停用后,需手动启动LDCL泵和三通阀试运行,避免部件卡滞;低硫燃油工况下,即使停用系统,也建议定期试运行泵和阀门。
4.注油率调整:LDCL系统停用后,缸套防腐蚀能力下降,需在2周内将气缸油注油率增加0.05g/kWh,弥补低温腐蚀防护缺口。
(二)航行中系统停用规范
航行中因故障或燃油切换需停用LDCL系统时,有3种操作方式,优先选择前两种,避免应急操作对系统造成冲击:
1.MOP直接停用:在MOP的「Engine>Process information>LDCL」界面点击停止,CWCU控制三通阀缓慢调节至100%开启(耗时20-30min),避免高温缸套水快速进入循环系统。
2.硫含量设置停用:在MOP的「Auxiliary>Cylinder Lubrication」界面将S%调至0.5以下,系统自动执行停用程序,与直接停用流程一致;注意该方式受MOP版本限制,且需适当调大气缸油最低注油率。
3.应急手动停用:三通阀控制失效时,现场手动泄放控制空气,使阀门至100%开启状态;该方式无缓慢调节过程,高温水快速进入循环系统易造成附件损坏,非必要不使用。
停用后需密切监测主机冷却水系统压力(尤其JCW across cyl.Liner和JCW across cyl.Cover),防止泵停止瞬间压差骤降触发主机降速。
七、总结
LDCL系统是MAN B&W ME系列主机适配高功率设计和防腐蚀需求的核心创新,通过负荷动态调节和法规适配设计,既解决了新型柴油机低负荷低温腐蚀的行业难题,又满足了IMO硫含量法规的运行要求。其核心优势在于自动化程度高和安全性强,系统可根据主机工况和燃油属性自动切换运行状态,且配备多层级安保和故障旁通功能,最大限度保证主机连续运行。
对于轮机管理人员,掌握LDCL系统的工作原理、操作规范和故障排查方法是保障MAN柴油机可靠运行的关键:日常管理中需做好状态监控和备件储备,故障处理时优先排查三通阀和控制单元,停用系统时严格遵循操作流程并调整气缸油注油率。同时,需及时关注MAN Energy Solutions发布的技术通函(如SL2020-692/KAMO),完成ECS参数更新,确保系统始终适配最新运行要求和法规标准。

以下为历史经典文章合集链接,需要自取
1.主机启动困难,负荷严重偏离正常值,轮机长“糟心”战斗数天-真心不容易!
2.液压舱盖“跳劲舞”,甲板机头很害怕-三管轮关键时刻放大招,甲机大写的一个“服”.
3.传动皮带断到心理有阴影-分油机这病老中医都难搞!
4.这个YANMAR副机运转中突然滑油低压停车跳电故障-有点难于预料!
5.从太平洋到印度洋的45天,ME-C电喷主机强悍故障来袭!
6.主机滑油消耗暴增-祸首分油机,跑油跑出新高度,有点代表性!
7.分油机压力低报警,三轨说阀门会自己动,机舱闹鬼?一起来捉妖!
8.疑难分析-WARTSIL-RT-FLEX-50D电喷主机某缸喷油时间过长报警!
9.非比寻常的主机单缸排烟温度高、烟囱冒黑烟故障。
10.二例诡异的副机滑油异常消耗事件-元芳!你怎么看?
11.主机这个间歇性排烟温度高的故障-很不简单!
12.1年ME-C电喷主机新船,连续排温低,扫气道着火-事件真相匪夷所思!
13.夜半歌声很“瘆人”,汽笛该进疯人院-到底是什么鬼?
14.船舶空压机滑油容易乳化这个老大难问题,怎么破?
15.破解分油机那些让人迷糊的设计10问-分油机强悍文档来袭
16.空气分配站安全阀总是跳,源起减压阀-都说减压阀有点难,读完这篇都是专家!
17.都说MAN ME-C电喷主机油头难拔-今天我来放个大招!
18.主机滑油压力低,是谁动了机油泵的回油阀?又是闹鬼?-结局刷新你的认知!
19.主机“气功”没练好!老跑气-高级轮机长(陈老轨),教你怎么练!
20二管轮:副机暖缸水温度上不来,系统设计有问题?原来又一次长见识!
21.怪不怪?MAN B&W ME-C电喷主机单单平均指示压力低(Pi),一起来看看。。。。
22.多年数个缸套的代价,这个主机缸套异常磨损有点顽。。。。
23.这个MAN主机排气敲击故障太“坑爹”,99%的人会被忽悠。。。。。。
24.“要命”的某轮克林吊无法启动故障。。。。。
25.这个“懵逼”的主机主轴承滑油低压故障,看完直想哭。。。。。
26.YANMAR副机航行中没有任何先兆停车跳电,这一次可不是滑油低压。。。。。
27.低硫油给分油机带来的麻烦,怎么解?
28.主机滑油非正常消耗的祸首原来是“它”。。。。。
29.锅炉冒黑烟后又点不着火了,三管轮求援。。。。。
30.应急发电机启动失败故障,走了“山路十八弯”
31.电喷主机伺服油超压,二台伺服油泵流量传感器指示灯不同步了。。。。
32.新主机一周后就开始莫名不断排温高,揉碎了轮机长、服务工程师、机务的心
33.三管轮求援:都没问题,空调温度就是打不下来
34.脑袋想破都难想到的主机抛锚停车再启动“爆燃”故障
35.三管轮问:锅炉得了“哮喘”病,谁有“神药”?
36.克令吊回转马达输出齿轮总是断齿,看船员专家级分析解决方案,读完受益匪浅!
37.看完这个主副机几近全损的惨烈事件,就知道甲板哥们是怎么“坑”机舱弟兄的
38.Westfalia分油机中文解读,下老大功夫了,读完秒懂(含完整视频)
39.在新下水的ME-C主机船上干了11个月,轮机长有不少心得体会与大家分享!
40.用心制作,时下最流行、最易懂的副机WOOD WARD PSG调速器文档来了
41.分油机这个“连环套”,很多人都会“翻车”
42.主机没命,副机剩下半条命,看完真的想把这样的队友拉出去“毙”了
43.MEC电喷主机这个柱塞行程的故障有点乱,没把轮机长少折腾
44.ME-C电喷主机排温高,张老轨听声诊病,把常规诊断方法运用到了极致
45.柴油机游车无解---一起跳电事件引出的“花样”游车线索
46.出厂一年多的副机总漏油且滑油消耗异常,原因有点“烧脑”!
47.副机冷却水进气低压跳电数月无解...背后实情专家难料
48.破解分油机那些让人迷糊的设计10问-分油机强悍文档来袭
49.这个副机机油压力低的毛病,很不简单!
50.大管说头都想破了,拆了6遍,这个分油机跑油的毛病还是一脸懵.......
51.分油机不排渣,还时不时跑油,分油流量再不足这是要完犊子???
52.专家级讲解救助艇的启停,句句GET POINT,看完无压力。
53.关于回油孔式高压油泵,这篇文章有些知识点可能很多人没掌握.......
54.看完这篇ABB(TPS型)透平的文章,再不懂就是自己的问题了.......
55.YANMAR副机安保测试后无法启动了,绕了不少弯,结局着实上了一课...........
56.应急消防泵建压困难,问题多多,看李老轨如何逐一破解.......
57.由某轮舵机遥控和应急舵均失效故障谈舵机的那些硬核知识点
58.从不同角度成功处理副机排烟温度高问题,极具参考价值........
59.主机滑油不明原因乳化,这锅大管轮得背......
60.副机滑油温度长期居高不下,进厂修理越修越差,原因你品...你仔细品...
61.抵港前安全检查,三管轮连续几次启动救生艇不成功,检查一圈有点“迷糊”了.......
62.运转中的MEC主机突发“雷击”般声响...吓得老轨四处张望...多次实验终于查到病源....
63.半年内冰机连续抱轴、连杆断裂,活塞击穿...平时制冷效果也欠佳...想不到的是.....
64.凌晨3点引水登轮准备离港,舱盖关不下急煞众人...小四轨突生妙计破解困局
65.奇了怪!共用一台空调压缩机,左舷房间热,右舷房间凉.......
66.5个故障案例,5000多字,带你“撸透”旋杯式锅炉
67.2个案例6000字...由透平定位环红套滑脱...深度探索副机透平的那些知识点
68.三个造水机“奇葩”案例,带你进入探索之旅
69.滑油分油机跑油,此案教你如何快速排除
70.这里有一份全面介绍ME-C电喷主机的资料...图文并茂...言简意赅!
71.遭遇史上最强三菱分油机故障,二管快“崩盘”...终极版三菱分油机来了
72.锅炉冒白烟,这原因有点玄乎.........
73.三起主机单缸不发火故障,均与Puncture Valve有关...里面还有颇有些学问
74.锅炉火焰忽闪忽灭,整懵圈电机员和二管...原来毛病就在灯火阑珊处......
75.搞懂空调油压差继电器,关键时刻能救空调压缩机的命.....
76.副机使用大负荷时频繁跳电...并车运行也跳电...调速器背黑锅!

