Techcross ECS压载水处理系统原理与操作程序的中文解读---比较详细!
船舶讲武堂技能快速提升学习资料购买,点击下方链接获取详情!
船舶讲武堂资料焕新优惠开售,合订版返现88元,其它返48元...技能提升好帮手!
Techcross ECS(Electro Cleen™ System)压载水处理系统以电解海水消毒技术为核心,是符合国际海事组织(IMO)D-2性能标准的智能集成化设备,核心通过多单元协同实现压载水的电解消毒、实时检测、自动中和,全程由智能控制系统统筹,保障压载水作业合规、高效、安全。以下对系统核心原理、核心设备组成、全流程操作程序进行详细、全面的梳理,覆盖操作全场景与核心细节。
一、ECS系统核心原理:多机制电解消毒+精准自动中和,无二次污染
ECS系统的核心功能围绕海水直接电解消毒和排压载水自动中和展开,通过四重消毒机制实现压载水全维度杀菌,搭配智能中和技术确保排放水达标,同时电解过程无额外化学药剂添加,从源头避免海洋环境二次污染,整体原理形成“电解消毒—残留防护—精准中和—达标排放”的闭环。
(一)四重电解消毒机制,实现压载水高效杀菌与长期防护
ECS系统通过电解单元(ECU)对吸入的海水进行直接电解,利用海水本身的成分产生活性消毒物质,形成次氯酸根、自由基、氧化还原电势(ORP)、残余氯四重协同消毒机制,既完成即时杀菌,又能防止压载舱内有害生物再生,杀菌率达99.9%以上,具体作用原理如下:
1.次氯酸根:电解海水的核心活性产物,能快速穿透有害微生物(细菌、藻类、浮游生物幼虫等)的细胞壁与细胞膜,破坏其细胞内的酶系统和遗传物质,实现快速、高效杀菌,是压载水消毒的核心作用物质;
2.自由基:电解过程中产生羟基自由基、氯自由基等强氧化性物质,可分解次氯酸根难以杀灭的顽固微生物有机成分,对压载水中的有害生物进行二次分解,提升消毒彻底性;
3.氧化还原电势(ORP):电解过程会显著改变压载水的氧化还原电势,营造出不利于有害海洋生物生存的水环境,从环境层面抑制微生物的活性与繁殖能力,辅助强化消毒效果;
4.残余氯:消毒后压载水中留存的少量残余氯,在压载舱储存期间持续发挥作用,有效阻止舱内有害微生物的再生、繁殖与船体附着,避免储存过程中出现生物量反弹,实现长期防护。
在实际运行中,ECU电解单元内部的TRO(总残余氧化剂)浓度被精准控制在610mg/L(平均值68mg/L),该浓度既保证杀菌效果,又能避免活性物质过量导致的设备腐蚀与海洋环境风险,且电解产生活性物质的浓度低于美国危险物质标准,满足环保要求。
(二)自动中和技术,精准调控实现排压载水达标排放
为符合IMO及各国海事对压载水排放的TRO浓度要求(≤0.2mg/L),ECS系统配备ANU自动中和单元,以硫代硫酸钠为中和剂,通过“实时检测—精准注药—二次验证”的逻辑,对排压载水前的压载水进行中和处理,确保排放水完全达标,具体工作原理为:
1.实时检测:排压载作业前,TSU TRO检测单元实时采集压载水样本,测量TRO浓度并将数据传输至CPC控制电脑;
2.精准注药:CPC根据TSU检测的TRO浓度数据,自动控制ANU单元的计量泵,调节硫代硫酸钠中和剂的注入量(浓度越高,注入量越大),实现中和剂的精准配比;
3.二次验证:中和后的压载水再次经TSU检测单元采样检测,确认TRO浓度降至0.2mg/L以下后,系统才允许启动排压载作业;
4.异常报警:若中和后TRO浓度仍超过0.2mg/L,系统立即触发声光报警,同时停止排压载作业,直至操作人员排查问题(如补充中和剂、清理注药管路)并确认TRO浓度达标。
(三)系统核心运行适配性原理
ECS系统在设计上充分适配船舶远洋作业的复杂环境,核心参数与运行机制满足不同海域、不同工况的作业需求:
1.海水适配性:可在海水导电率≥1PSU的环境中稳定运行,适配全球绝大多数海域的海水条件,由CSU盐分浓度传感器实时检测海水导电率,为电解单元提供运行参数参考;
2.温度适应性:核心设备可在0~45℃的封闭环境中运行,PRU整流器的冷却水最高允许温度为45℃,由FTS淡水温度传感器实时监控,避免温度过高导致设备故障;
3.流量适配性:系统可根据FMU流量计检测的压载水流量,自动调节电解单元的运行功率,确保在额定流量范围(10%~110%)内消毒效果稳定,流量低于额定值10%时系统自动报警并停机,防止无效电解。
二、ECS系统核心设备组成:九大功能单元协同,智能控制为核心
ECS系统是高度集成的闭环水处理系统,由九大核心功能单元组成,各单元通过电缆、管路互联互通,所有设备的运行状态、参数均由CPC控制电脑集中监控、统一调度,形成“检测—控制—执行—反馈”的智能运行体系。各单元的核心功能、组成、运行要求及与系统的协同关系如下,无主次之分,缺一不可:

1. 电解单元(ECU:Electro-Chamber Unit)
•核心功能:系统消毒核心单元,通过直接电解海水产生次氯酸根、自由基等活性消毒物质,完成压载水的核心杀菌流程;
•组成:由电解模块(ECM)和电源整流单元(PRU)组成,配备压力显示器、压力表、冷却水进出口管路;
•运行要求:仅在压载操作时运行,严禁在入口/出口阀关闭时启动,运行时需持续供应冷却水,防止PRU整流器过热;
•系统协同:接收PDE的电力供应、CPC的功率调节指令,配合CSU盐分浓度传感器、FMU流量计调整电解效率,运行状态实时反馈至CPC。
2. 电力分配器单元(PDE:Power Distributor Equipment)
•核心功能:系统的“电力中枢”与“通讯枢纽”,为所有设备供电并控制设备间的通讯连接;
•组成:配备主MCCB断路器、操作开关、远程/本地模式切换开关、数字功率表、报警灯等;
•运行要求:由船舶提供AC440V电源,需在封闭、干燥环境中运行,定期检查接线牢固性,防止短路;
•系统协同:从船舶主配电板(MSBD)取电,为ECU、CPC、TSU、ANU等所有单元供电,中转各单元与CPC的通讯信号,支持远程(CCR)/本地控制模式切换。
3. 控制电脑(CPC:Control PC)
•核心功能:系统的“大脑”,集成HMI人机界面,实现设备的集中控制、参数实时显示、运行数据存储、故障报警与诊断;
•组成:包含主机、触摸屏HMI、LAN接口、USB接口、电源开关,内置运行与控制程序;
•运行要求:支持远程/本地两种控制模式,自动储存并备份所有运行数据,严禁异常断电,防止主存储器损坏;
•系统协同:接收TSU、FMU、FTS、CSU、GDS等所有检测/传感器单元的参数信号,向ECU、ANU、PDE等执行单元下发操作指令,实时显示所有设备的运行状态,触发故障报警并显示故障代码。
4. TRO检测单元(TSU:TRO Sensor Unit)
•核心功能:系统的“检测眼睛”,实时测量压载水、排压载水的TRO浓度,为电解消毒和中和处理提供数据依据;
•组成:包含2个CLX氯监测传感器、XGT控制面板、压力泵、电磁阀、采样管路、试剂储存装置;
•运行要求:CLX试剂余量不得低于20%,有效期为1~2个月,过期需及时更换;采样管路需保持通畅,无堵塞、无泄漏;
•系统协同:实时将TRO浓度数据传输至CPC,压载时为ECU功率调节提供参考,排压载时为ANU中和剂注入量提供依据,中和后对TRO浓度进行二次验证,数据不达标则向CPC发送报警信号。
5. 自动中和单元(ANU:Auto Neutralization Unit)
•核心功能:系统的“中和核心”,储存并自动注入硫代硫酸钠中和剂,完成排压载水前的TRO浓度中和,确保达标排放;
•组成:包含淡水柜(左/右)、计量泵、液位传感器、搅拌器、XGT控制面板、注药管路、电磁阀;
•运行要求:实时监控中和剂储量,液位低时及时补充;搅拌器运行至中和剂完全溶解,避免注药管路堵塞;
•系统协同:接收CPC的注药指令,根据TSU检测的TRO浓度精准调节注入量,运行状态(注药量、液位、搅拌器状态)实时反馈至CPC。
6. 流量计单元(FMU:Flow Meter Unit)
•核心功能:实时测量压载水、排压载水的流量,为系统调节电解功率、判断运行状态提供流量依据;
•组成:包含流量计本体、LCD显示屏、法兰、电极信号电缆、接地环;
•运行要求:定期检查管路连接无泄漏,传感器探头无堵塞;流量显示异常时及时校准,每年进行一次专业校验;
•系统协同:实时将流量数据传输至CPC,CPC根据流量数据调节ECU电解功率,流量低于额定值10%时,向CPC发送报警信号并触发系统停机。
7. 淡水温度传感器(FTS:Freshwater Temperature Sensor)
•核心功能:实时检测为PRU整流器提供的冷却水温度,防止冷却水温度过高导致整流器故障;
•组成:包含温度传感器探头、信号电缆、接线端子;
•运行要求:探头需安装在冷却水出口管路,确保检测精准;定期检查接线牢固,无破损、无进水;
•系统协同:实时将冷却水温度数据传输至CPC,温度超过43℃时触发警告,超过45℃时触发系统报警并停机,保护PRU整流器。
8. 盐分浓度传感器(CSU:Conductivity Sensor Unit)
•核心功能:仅在压载操作时运行,检测经过ECU的海水导电率,确保海水满足电解要求;
•组成:包含导电率传感器探头、采样管路、接线端子;
•运行要求:探头需保持清洁,无结垢、无堵塞;仅在压载作业时启动,定期用压缩空气清洗;
•系统协同:实时将海水导电率数据传输至CPC,导电率低于1PSU时,CPC将限制ECU电解单元运行,确保电解效率。
9. 气体探测传感器(GDS:Gas Detection Sensor)
•核心功能:实时检测系统周边的氢气浓度(电解海水会产生少量氢气),防止氢气泄漏引发爆炸风险,保障设备运行安全;
•组成:包含氢气传感器探头、报警模块、信号电缆;
•运行要求:探头需安装在ECU电解单元周边,确保检测范围全覆盖;定期校准,确保检测精度;
•系统协同:实时将氢气浓度数据传输至CPC,浓度超过25%LEL时触发声光警告,超过50%LEL时向CPC发送停机信号,系统自动切断电力,防止安全事故。
三、ECS系统全流程操作程序:以CPC为核心,覆盖所有作业场景
ECS系统的操作以CPC控制电脑为核心,支持远程(CCR集控室)和本地(PDE旁)两种控制模式,所有操作需由熟悉系统的合格人员执行,操作前必须完成电力、设备、试剂、阀门的全维度检查,严禁违规操作。操作流程覆盖运行前准备、压载操作、排压载操作(压载泵/消防&GS泵)、扫舱操作、自动操作、停机操作六大核心环节,各环节流程环环相扣,细节要求严格,具体如下:
(一)运行前核心准备程序:电力/试剂/设备/阀门,全维度检查达标
运行前准备是保障系统正常启动、避免设备故障的关键环节,需完成电力准备、试剂耗材检查、设备状态检查、阀门开关确认四大步骤,任何一项未达标均不得启动系统,具体操作细节与要求如下:
1. 电力准备:按顺序通电,完成模式切换,确认电力供应正常
1.打开船舶主配电板(MSBD)中的BWMS主MCCB断路器,为ECS系统提供总电源;
2.打开PDE电力分配器的箱门,合上PDE主MCCB断路器,确认PDE电源指示灯亮起;

3.将PDE上的控制开关切换至**“Remote Mode(遥控模式)”**(默认模式,由CCR集控室控制),若需本地操作则切换至“Local Mode”;
4.按下CPC控制电脑的电源按钮,等待电脑开机,HMI人机界面将自动启动并完成系统自检,确认HMI无故障代码、无报警信息;

5.检查TSU、ANU、FMU、GDS等所有设备的电源指示灯均亮起,确认电力供应至各单元,无供电异常。
2. 试剂耗材检查:确认余量与有效期,及时补充/更换
1.TSU TRO检测单元:

○打开TSU前盖,检查2个CLX试剂的剩余量,余量**低于20%**时立即更换;

○检查CLX试剂的有效期,过期(1~2个月)立即更换;
○按下TSU XGT控制面板的“F1”键,确认系统处于**“Remote Mode(遥控模式)”**,若为紧急模式需切换,避免影响系统协同;
2.ANU自动中和单元:
○查看HMI界面或ANU XGT控制面板,确认左/右淡水柜的中和剂(硫代硫酸钠)液位,显示**“ALM Left/Right Tank Low(液位低)”**时立即补充;
○打开ANU的淡水入口阀和中和剂出口阀,确认阀门处于开启状态,若显示“tank full(舱满)”则停止补充;
3.检查所有耗材(滤芯、密封圈、软管等)的状态,有破损、老化、开裂时立即更换。
3. 设备状态检查:无故障/无泄漏/无堵塞,确认运行条件
1.检查ECU电解单元:压力显示器/压力表显示正常,无压力异常;PRU整流器冷却水管路无漏水、无弯折;
2.检查检测/传感器单元:TSU、FMU、FTS、CSU的探头无堵塞、无结垢、无破损;GDS气体探测传感器显示氢气浓度为0%LEL,无泄漏风险;
3.检查泵体与管路:启动冷却水LT冷却泵,确认泵体运行无异响、无振动;冷却水进出口管路无漏水,流量正常;
4.检查控制与电力设备:CPC的HMI触摸屏操作灵敏,LAN/USB接口接线牢固;PDE的数字功率表、报警灯显示正常,无接线松动;
5.检查所有设备的柜门、盖板均关闭牢固,防爆区域无易燃、易爆物品堆放。
4. 阀门开关确认:按作业要求精准切换,手动阀现场检查,遥控阀HMI确认
阀门状态直接决定系统运行效果,甚至影响设备安全,需根据后续作业类型(压载/排压载/扫舱)确认开关状态,通用要求+核心阀门检查如下:
通用阀门要求(所有作业前均需满足)
•所有设备的泄放阀、排污阀处于关闭状态,防止海水泄漏;
•冷却水进出口阀处于开启状态,确保ECU、PRU的冷却效果;
•TSU、ANU的采样口手动阀处于开启状态,确保采样与检测精准;
•ECU旁通阀处于关闭状态,确保海水全部经过电解单元(扫舱作业除外)。
阀门检查方式
•手动阀:现场实地检查,确认开关状态并做好标记;
•遥控阀:在CPC的HMI界面查看阀门状态图标,确认与作业要求一致。
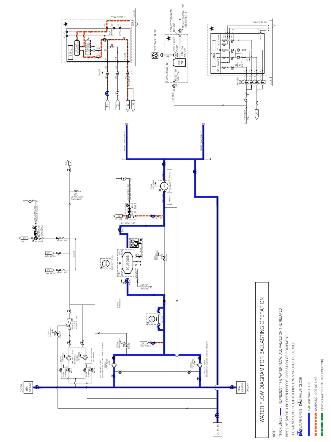
(二)压载操作程序:核心消毒环节,严格控制TRO浓度与流量
压载操作是ECS系统的核心作业场景,目的是对吸入船舶的海水进行电解消毒后储存至压载舱,全程仅ECU电解单元运行,需严格控制TRO浓度在68mg/L、流量在额定值10%110%,具体流程为专属阀门确认—模式选择与信号匹配—系统启动—实时运行监控—压载结束与设备复位,每一步均需确认无误后再进行下一步:

1.专属阀门确认:在通用准备基础上,打开ECU入口阀,关闭出海阀、扫舱阀,确认所有压载相关管路的手动阀均处于开启状态;
2.模式选择与信号匹配:

○在CPC的HMI主屏幕点击**“OP MODE(操作模式)”**,进入模式选择界面;

○点击**“BALLAST(压载)”**,再在“Select Condition(选择状态)”中确认压载模式;
○系统自动显示Ship’s Signal(船舶信号)(船舶阀门、泵体的实际状态)与Required Signal(要求信号)(压载作业所需的阀门、泵体状态),操作人员需逐一项确认两者完全匹配,若不匹配则立即排查船舶阀门/泵体状态,直至一致;
3.系统启动:
○所有条件满足后,点击HMI界面的**“RUN(运行)”按钮,系统弹出“Do you want to start the ECS?”确认提示,点击“YES”**;
○启动船舶压载泵,海水开始进入ECS系统,经ECU电解单元消毒后进入压载舱;
○系统启动后5分钟内,确认HMI界面显示:ECU工作参数(电流、电压)正常、TRO浓度稳定在6~8mg/L、流量在额定范围,无报警、无故障代码;
4.实时运行监控:压载过程中,操作人员需持续监控HMI界面核心参数,发现异常立即停机排查,核心监控指标与报警阈值如下:
监控指标 | 正常范围 | 警告阈值 | 停机阈值(持续10分钟) |
TRO浓度 | 6~8mg/L | >10mg/L 或 <5mg/L | >11mg/L 或 <4mg/L |
压载水流量 | 额定值10%~110% | <额定值10% | <额定值10%(立即停机) |
冷却水温度 | ≤43℃ | >43℃ | >45℃ |
氢气浓度 | 0%LEL | >25%LEL | >50%LEL(立即停机) |
海水导电率 | ≥1PSU | <1PSU | <1PSU(限制ECU运行) |
○同时监控ECU压力无异常波动、管路无漏水、压载泵运行稳定;
5.压载结束与设备复位:
○当压载舱达到预定液位时,先停止ECS系统,再停止船舶压载泵:点击HMI界面的**“STOP(停止)”**按钮,弹出确认提示后点击“YES”,ECU电解单元停止运行;
○关闭船舶压载泵,再按要求关闭压载相关管路的阀门;
○检查HMI界面所有设备状态为“停止”,无异常数据,做好运行记录(压载时间、处理水量、TRO浓度、设备运行状态等)。
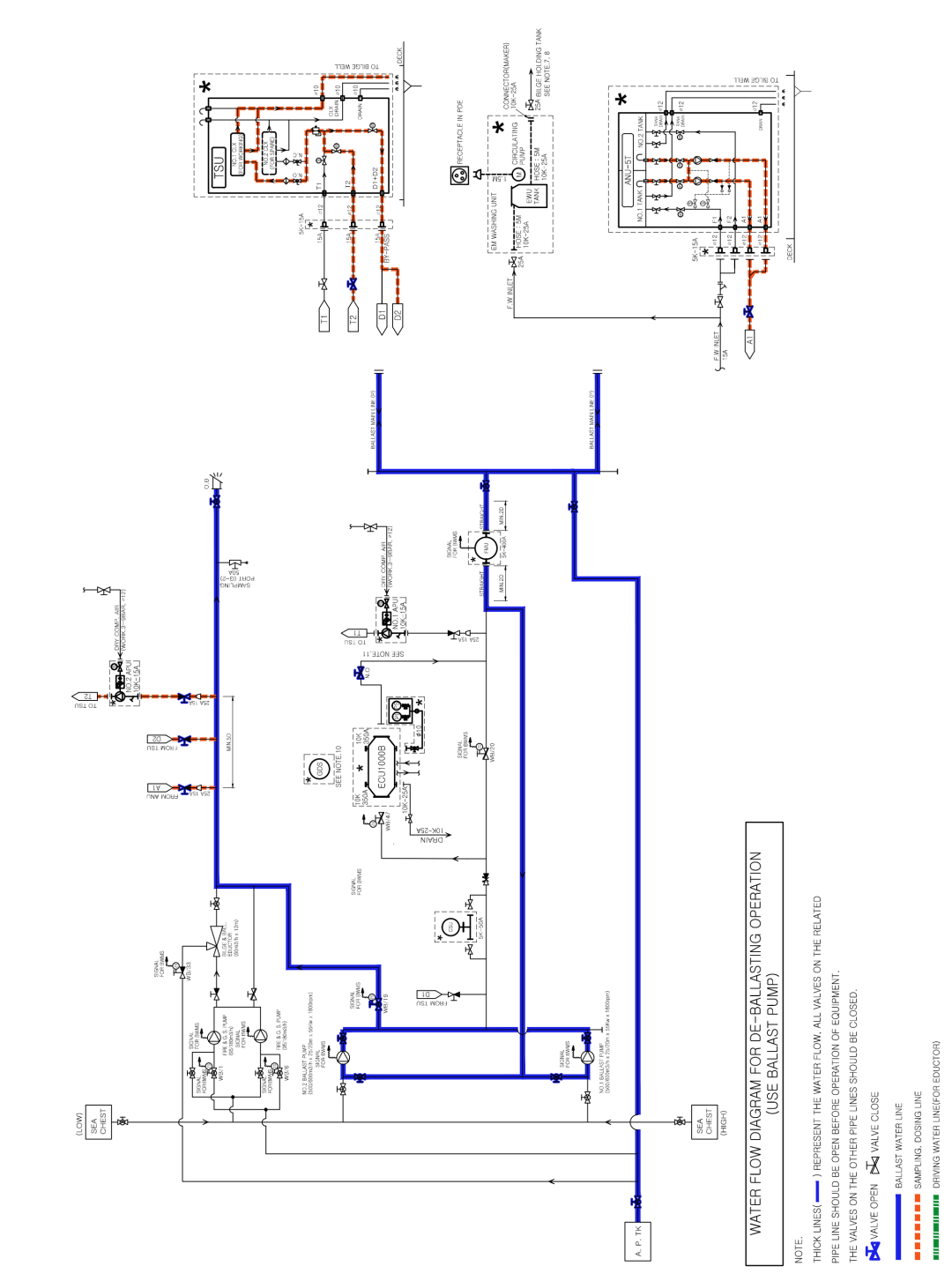
(三)排压载操作程序:分两种泵型,核心做好中和达标,ECU停机
排压载操作是将压载舱内已消毒的压载水经中和处理后排放至海洋,此模式下ECU电解单元完全停机,核心是通过ANU单元将TRO浓度降至≤0.2mg/L。根据船舶使用的泵体不同,分为压载泵排压载和消防&GS泵排压载,核心差异为出海阀的开关和专属阀门的开启,通用流程为专属阀门确认—模式选择与信号匹配—系统启动与中和—实时监控—排压载结束与复位,具体如下:

通用流程(两种泵型均需遵循)
1.专属阀门确认(核心差异点,需严格区分)

○压载泵排压载:打开出海阀、ANU注药口手动阀,关闭ECU入口阀、扫舱阀,ECU旁通阀保持关闭;
○消防&GS泵排压载:关闭出海阀,打开Fire&GS De-ballast valve(消防&GS泵排压载阀)、ANU注药口手动阀,关闭ECU入口阀、扫舱阀,ECU旁通阀保持关闭;
2.模式选择与信号匹配:

○在HMI主屏幕点击**“OP MODE”,选择“DE-BALLAST(排压载)”**,再在“Select Condition”中确认排压载模式;
○系统自动显示Ship’s Signal与Required Signal,逐一项确认匹配,消防&GS泵排压载需额外确认专属阀门信号正常;
3.系统启动与中和:
○点击HMI**“RUN”按钮,确认启动后,ECS系统先启动ANU自动中和单元**,进入中和准备状态;
○启动对应的船舶泵体(压载泵/消防&GS泵),压载水进入中和管路;
○ANU单元根据TSU实时检测的TRO浓度,自动调节中和剂注入量,完成中和处理,TSU对中和后的压载水进行二次检测,确认TRO浓度≤0.2mg/L;
4.实时运行监控:核心监控中和效果与设备运行状态,无异常则正常排放,核心监控要求:
○TRO浓度:正常≤0.2mg/L,>0.1mg/L时触发警告,>0.2mg/L且持续10分钟时立即停机;
○ANU单元:中和剂储量充足,注药管路无堵塞,计量泵运行稳定,无漏水;
○泵体与管路:流量稳定,无振动、无异响,压力正常;
5.排压载结束与复位:
○压载舱内压载水排放完毕后,先点击HMI“STOP”停止ECS系统,再关闭船舶泵体;
○关闭出海阀/消防&GS泵排压载阀、ANU注药口手动阀,恢复所有阀门至初始状态;
○检查ANU中和剂储量,若液位低则及时补充,做好运行记录(排压载时间、排放水量、中和剂注入量、TRO浓度等)。
两种泵型操作核心差异总结
操作环节 | 压载泵排压载 | 消防&GS泵排压载 |
出海阀 | 开启 | 关闭 |
专属阀门 | 无 | 开启Fire&GS De-ballast valve |
船舶泵体 | 启动压载泵 | 启动消防&GS泵 |
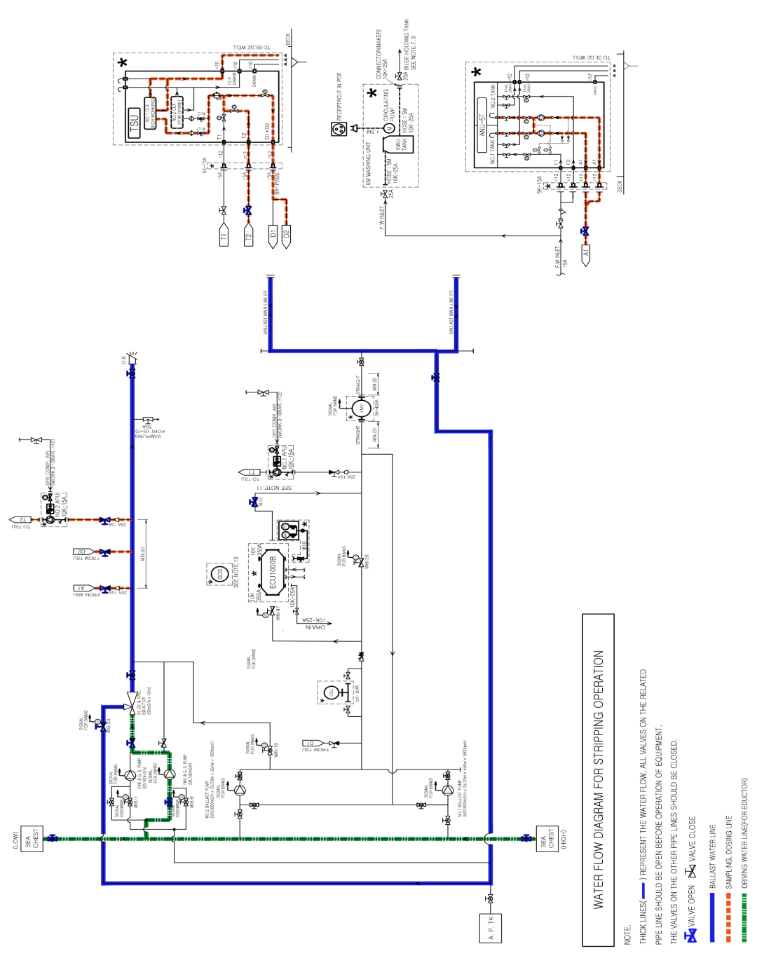
(四)扫舱操作程序:处理残留水,ECU/压载泵均停机,仅ANU中和
扫舱操作针对压载舱内的残留压载水(常规排压载无法排出的少量积水)进行处理,此模式下ECU电解单元、船舶压载泵均完全停机,仅通过ANU单元对残留水进行中和处理,确保排放达标,流程简单且要求严格,具体如下:

1.专属阀门确认:打开扫舱阀、ANU采样口手动阀、TSU采样口手动阀,关闭出海阀、ECU入口阀、ECU旁通阀;
2.模式选择与信号匹配:在HMI主屏幕点击**“OP MODE”,选择“STRIPPING(扫舱)”,确认Ship’s Signal与Required Signal完全匹配**;


3.系统启动:点击HMI**“RUN”按钮,启动船舶扫舱泵**,ANU单元自动对残留压载水进行中和处理,TSU实时检测TRO浓度,确保≤0.2mg/L;
4.实时监控:重点监控TRO浓度与ANU注药状态,确保残留水全部中和达标后排放,无残留;若TRO浓度超标,立即停机排查;
5.扫舱结束与复位:
○扫舱完成后,先点击HMI“STOP”停止ECS系统,再关闭扫舱泵;
○关闭扫舱阀,恢复所有阀门至初始状态;
○检查设备状态无异常,做好运行记录。
(五)自动操作模式:一键启动,智能调控,减少人工干预
ECS系统支持全自动操作模式,适用于船舶频繁压载/排压载的作业场景(如跨洋航线、多港口作业),需在完成所有运行前准备工作、阀门与信号完全匹配的前提下开启,具体操作与特点如下:

1.操作步骤:在CPC的HMI界面选择对应作业模式(压载/排压载/扫舱),点击“RUN”按钮,系统自动完成后续所有操作,无需人工干预;
2.智能调控特点:
○系统根据FMU流量、CSU导电率,自动调节ECU电解功率,确保TRO浓度稳定在6~8mg/L(压载作业);
○根据TSU检测的TRO浓度,自动调节ANU中和剂注入量,确保中和后TRO浓度≤0.2mg/L(排压载/扫舱作业);
○运行过程中若出现异常(如流量过低、TRO浓度超标、氢气泄漏),系统自动触发报警,并根据故障等级自动采取“警告—限制运行—停机保护”措施;
3.操作人员职责:全自动操作过程中,操作人员仅需实时监控HMI界面,确认设备运行状态正常,无需进行手动操作;若出现故障报警,按故障代码排查处理即可。
(六)停机操作程序:分CPC单独停机与系统整体停机,严禁直接断电
ECS系统的停机分为CPC控制电脑单独停机(仅关闭电脑,系统电力未切断)和ECS系统整体停机(船舶作业结束,完全切断电力),两种情况均需严格遵循流程,严禁直接断电,否则将造成CPC主存储器损坏、系统程序丢失、设备故障等问题,具体流程如下:
1. CPC控制电脑单独停机(适用于临时关闭电脑,无需切断系统电力)
1.在CPC的HMI界面点击右上角**“POWER(电源)”**按钮,系统弹出“Are you sure you want to quit the ECS?”确认提示;
2.点击**“YES”**,输入系统操作密码(权限验证);
3.等待HMI界面完全关闭后,在Windows系统桌面点击**“Turn off(关机)”**,等待电脑主机完全停机;
4.确认CPC的电源指示灯熄灭,完成单独停机,严禁在HMI界面未关闭时直接切断电脑电源。
2. ECS系统整体停机(适用于船舶作业结束,长期不使用系统)
1.按上述流程完成CPC控制电脑单独停机,确保电脑正常关机;
2.打开PDE电力分配器箱门,关闭PDE主MCCB断路器,切断ECS所有设备的电力供应,确认PDE电源指示灯熄灭;
3.打开船舶主配电板(MSBD),关闭BWMS主MCCB断路器,切断ECS系统的总电源;
4.关闭冷却水LT冷却泵,关闭所有相关阀门(泄放阀、进出口阀等),做好设备防护(如盖好设备盖板、清理设备表面灰尘与海水残留);
5.检查所有设备的电源指示灯均熄灭,确认电力完全切断,做好停机记录。
3. 系统长期闲置(超过1个月)停机额外要求
若系统超过1个月不使用,除完成上述整体停机流程外,还需进行设备防护处理,防止设备老化、腐蚀、试剂失效:
1.排放ANU淡水柜内的剩余中和剂,用淡水清洗淡水柜与注药管路;
2.取出TSU单元内的CLX试剂,关闭TSU所有采样阀,用淡水清洗采样管路;
3.关闭ECU电解单元的所有进出口阀、冷却水阀,排放内部残留海水;
4.用干燥的软布清洁所有设备表面,做好防潮、防尘处理。

以下为历史经典文章合集链接,需要自取
1.主机启动困难,负荷严重偏离正常值,轮机长“糟心”战斗数天-真心不容易!
2.液压舱盖“跳劲舞”,甲板机头很害怕-三管轮关键时刻放大招,甲机大写的一个“服”.
3.传动皮带断到心理有阴影-分油机这病老中医都难搞!
4.这个YANMAR副机运转中突然滑油低压停车跳电故障-有点难于预料!
5.从太平洋到印度洋的45天,ME-C电喷主机强悍故障来袭!
6.主机滑油消耗暴增-祸首分油机,跑油跑出新高度,有点代表性!
7.分油机压力低报警,三轨说阀门会自己动,机舱闹鬼?一起来捉妖!
8.疑难分析-WARTSIL-RT-FLEX-50D电喷主机某缸喷油时间过长报警!
9.非比寻常的主机单缸排烟温度高、烟囱冒黑烟故障。
10.二例诡异的副机滑油异常消耗事件-元芳!你怎么看?
11.主机这个间歇性排烟温度高的故障-很不简单!
12.1年ME-C电喷主机新船,连续排温低,扫气道着火-事件真相匪夷所思!
13.夜半歌声很“瘆人”,汽笛该进疯人院-到底是什么鬼?
14.船舶空压机滑油容易乳化这个老大难问题,怎么破?
15.破解分油机那些让人迷糊的设计10问-分油机强悍文档来袭
16.空气分配站安全阀总是跳,源起减压阀-都说减压阀有点难,读完这篇都是专家!
17.都说MAN ME-C电喷主机油头难拔-今天我来放个大招!
18.主机滑油压力低,是谁动了机油泵的回油阀?又是闹鬼?-结局刷新你的认知!
19.主机“气功”没练好!老跑气-高级轮机长(陈老轨),教你怎么练!
20二管轮:副机暖缸水温度上不来,系统设计有问题?原来又一次长见识!
21.怪不怪?MAN B&W ME-C电喷主机单单平均指示压力低(Pi),一起来看看。。。。
22.多年数个缸套的代价,这个主机缸套异常磨损有点顽。。。。
23.这个MAN主机排气敲击故障太“坑爹”,99%的人会被忽悠。。。。。。
24.“要命”的某轮克林吊无法启动故障。。。。。
25.这个“懵逼”的主机主轴承滑油低压故障,看完直想哭。。。。。
26.YANMAR副机航行中没有任何先兆停车跳电,这一次可不是滑油低压。。。。。
27.低硫油给分油机带来的麻烦,怎么解?
28.主机滑油非正常消耗的祸首原来是“它”。。。。。
29.锅炉冒黑烟后又点不着火了,三管轮求援。。。。。
30.应急发电机启动失败故障,走了“山路十八弯”
31.电喷主机伺服油超压,二台伺服油泵流量传感器指示灯不同步了。。。。
32.新主机一周后就开始莫名不断排温高,揉碎了轮机长、服务工程师、机务的心
33.三管轮求援:都没问题,空调温度就是打不下来
34.脑袋想破都难想到的主机抛锚停车再启动“爆燃”故障
35.三管轮问:锅炉得了“哮喘”病,谁有“神药”?
36.克令吊回转马达输出齿轮总是断齿,看船员专家级分析解决方案,读完受益匪浅!
37.看完这个主副机几近全损的惨烈事件,就知道甲板哥们是怎么“坑”机舱弟兄的
38.Westfalia分油机中文解读,下老大功夫了,读完秒懂(含完整视频)
39.在新下水的ME-C主机船上干了11个月,轮机长有不少心得体会与大家分享!
40.用心制作,时下最流行、最易懂的副机WOOD WARD PSG调速器文档来了
41.分油机这个“连环套”,很多人都会“翻车”
42.主机没命,副机剩下半条命,看完真的想把这样的队友拉出去“毙”了
43.MEC电喷主机这个柱塞行程的故障有点乱,没把轮机长少折腾
44.ME-C电喷主机排温高,张老轨听声诊病,把常规诊断方法运用到了极致
45.柴油机游车无解---一起跳电事件引出的“花样”游车线索
46.出厂一年多的副机总漏油且滑油消耗异常,原因有点“烧脑”!
47.副机冷却水进气低压跳电数月无解...背后实情专家难料
48.破解分油机那些让人迷糊的设计10问-分油机强悍文档来袭
49.这个副机机油压力低的毛病,很不简单!
50.大管说头都想破了,拆了6遍,这个分油机跑油的毛病还是一脸懵.......
51.分油机不排渣,还时不时跑油,分油流量再不足这是要完犊子???
52.专家级讲解救助艇的启停,句句GET POINT,看完无压力。
53.关于回油孔式高压油泵,这篇文章有些知识点可能很多人没掌握.......
54.看完这篇ABB(TPS型)透平的文章,再不懂就是自己的问题了.......
55.YANMAR副机安保测试后无法启动了,绕了不少弯,结局着实上了一课...........
56.应急消防泵建压困难,问题多多,看李老轨如何逐一破解.......
57.由某轮舵机遥控和应急舵均失效故障谈舵机的那些硬核知识点
58.从不同角度成功处理副机排烟温度高问题,极具参考价值........
59.主机滑油不明原因乳化,这锅大管轮得背......
60.副机滑油温度长期居高不下,进厂修理越修越差,原因你品...你仔细品...
61.抵港前安全检查,三管轮连续几次启动救生艇不成功,检查一圈有点“迷糊”了.......
62.运转中的MEC主机突发“雷击”般声响...吓得老轨四处张望...多次实验终于查到病源....
63.半年内冰机连续抱轴、连杆断裂,活塞击穿...平时制冷效果也欠佳...想不到的是.....
64.凌晨3点引水登轮准备离港,舱盖关不下急煞众人...小四轨突生妙计破解困局
65.奇了怪!共用一台空调压缩机,左舷房间热,右舷房间凉.......
66.5个故障案例,5000多字,带你“撸透”旋杯式锅炉
67.2个案例6000字...由透平定位环红套滑脱...深度探索副机透平的那些知识点
68.三个造水机“奇葩”案例,带你进入探索之旅
69.滑油分油机跑油,此案教你如何快速排除
70.这里有一份全面介绍ME-C电喷主机的资料...图文并茂...言简意赅!
71.遭遇史上最强三菱分油机故障,二管快“崩盘”...终极版三菱分油机来了
72.锅炉冒白烟,这原因有点玄乎.........
73.三起主机单缸不发火故障,均与Puncture Valve有关...里面还有颇有些学问
74.锅炉火焰忽闪忽灭,整懵圈电机员和二管...原来毛病就在灯火阑珊处......
75.搞懂空调油压差继电器,关键时刻能救空调压缩机的命.....
76.副机使用大负荷时频繁跳电...并车运行也跳电...调速器背黑锅!

