三管们都掌握了吗?...YSF系列15ppm舱底水分离器原理、常见故障及维护要点!
船舶讲武堂技能快速提升学习资料购买,点击下方链接获取详情!
船员专属实战资料,无网也能学...新手入门、老手提升、职务晋升好帮手!
YSF系列15ppm舱底水分离器是依据“73/78 MARPOL”公约及IMO MEPC.107(49)决议设计制造的船舶机舱舱底油污水处理专用设备,核心功能是将机舱舱底含油污水处理至含油量≤15ppm的国际排放标准后排出舷外,同时对分离出的污油进行收集处理,是船舶防污染的关键设备。本文结合设备说明书及行业实操经验,详细介绍其工作原理、常见故障排查处理及精简版维护要点,为设备安全稳定运行提供参考。

一、设备工作原理

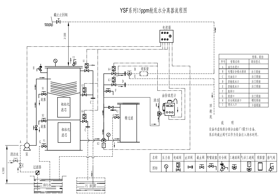
YSF系列15ppm舱底水分离器的核心工作流程的是多级递进式油水分离,配合自动控制与超标回流机制,具体原理如下:设备充满清水后启动泵体,正式进入工作状态,舱底含油污水先经过粗滤器,再被泵入设备上壳体的上腔体进行粗分离。在上腔体上部,利用油水比重差异,浮油及大颗粒油滴会逐渐上浮至顶部集油腔;含有小颗粒油滴的污水则向下流入上腔体下部的特制斜板组,在斜板组内完成聚集分离,小油滴逐步凝结成较大油滴,沿斜板上浮至中腔体顶部集油腔。
含有残留小颗粒油滴的舱底水继续向下,进入中壳体和下壳体的粗化滤芯,经滤芯吸附、聚结作用,小油滴聚结成大油滴,脱离滤芯后上浮至中、下壳体上部的集油腔。经过上述两级过滤处理后,舱底水通过油份浓度计(报警装置)监测,若含油量≤15ppm,达到排放标准,可直接排出舷外。
若舱底油污水中混入洗涤剂、铁锈等物质形成乳化液,经上腔体斜板分离、中壳体和下壳体两级滤芯分离后,油份浓度计监测仍显示含油量>15ppm(未达标),则气动三通阀动作,设备自动转入精过滤模式,舱底水进入精过滤器进一步深度过滤,过滤后再次经油份浓度计监测,直至含油量≤15ppm,方可排出舷外。
排油功能采用自动与手动两种控制模式,可灵活转换。上腔体集油腔的油位达到油位电极检测位置时,电极发送信号至电控系统,自动打开排油电磁阀完成排油;中腔体、下壳体集油腔聚集的油污,同样可通过电磁阀实现自动排油。
为便于观察识别,流程管路采用不同颜色标识,具体如下:

1.图1(绿色线路):舱底水油份含量≤15ppm时,经油水分离器处理后,不经过二级精滤器,直接通过正常排放管路排出舷外;

2.图2(红色线路):舱底水油份含量>15ppm时,气动三通阀K2自动转换位置,舱底水进入二级精过滤器进行深度处理;

3.图3:经二级精滤器处理后,若油份含量≤15ppm,K3电磁阀关闭、K4电磁阀打开,舱底污水合规排放入海;

4.图4:经二级精滤器处理后仍不达标(油份含量>15ppm),K4电磁阀关闭禁止排放,K3电磁阀打开,污水重新回流至舱底水柜,进行二次处理。
此外,当处理水持续超标(含油量>15ppm)时,油份浓度计会立即报警,同时合格水排出口自动关闭、回舱底水口打开,超标污水返回舱底重新处理,确保排放完全符合环保标准。
二、常见故障及处理方法
YSF系列分离器的常见故障集中在泵体运行、油水分离性能、压力异常、排油异常、报警装置故障五大类,各故障成因及针对性处理方法如下:
(一)泵体运行故障:不能正常工作、处理量下降
故障现象 | 常见原因 | 处理方法 |
容积效率下降,处理量显著降低 | 缸套与柱塞间磨损,密封变差 | 拆卸泵体,更换磨损部件,重新安装保证密封 |
运行噪音大、振动剧烈,处理量不稳 | 吸入管路密封不严,混入空气 | 排查并密封管路泄漏点,打开排气阀排尽空气 |
泵运行正常,处理量持续下降 | 管路堵塞;止回阀/电磁阀密封不严 | 清除管路堵塞物;清理/调整阀门密封件,必要时更换 |
(二)油水分离性能故障:处理水油分浓度上升、不达标
1.水质不良:舱底水混入洗涤剂、空压机细化油滴,油粒微细化;处理:避免此类物质混入,设置洗涤剂回收柜,使用快速分离洗涤剂;
2.设备内污染严重:排油装置失灵、污油堆积,或滤芯饱和/堵塞;处理:清洁油位电极、检修排油电磁阀,更换饱和/堵塞滤芯;
3.通水路短路:内部隔板腐蚀/焊接破损,或滤芯破损/安装不到位;处理:维修破损部位,重新安装/更换滤芯;
4.低水位运行:清水注入不足、设备漏水,或排气阀故障吸入空气;处理:补注清水至满舱,维修漏水部位及排气阀;
5.精过滤组件失效:组件达到使用寿命,过滤性能下降;处理:压力差超0.2MPa时,清洗或更换精过滤组件。
(三)压力异常故障
1.泵出口压力过高:管路堵塞或出口阀门开启不足;处理:清除堵塞物,将阀门完全开启;
2.上腔体压力过高:滤芯堵塞导致水流不畅;处理:及时清洗或更换堵塞滤芯。
(四)排油异常故障
1.排油带水过多:液位电极灵敏度低/设定不良,或电磁阀泄漏;处理:调整电极灵敏度,维修/更换泄漏电磁阀;
2.无法自动排油:油位电极油污覆盖、检测失灵,或电磁阀/线路故障;处理:清洁电极表面,检修/更换电磁阀,修复故障线路。
(五)报警装置故障
1.误报警(设备满水时报警):报警装置内无持续水流通过;处理:确保设备满水运行,保证报警装置有水样流经;
2.超标不报警:接入管及内部通路被油污/悬浮物污染;处理:拆卸清洗管路及内部通路,重新安装调试。
三、设备维护保养要点
设备维护核心遵循定期清洁、定期检查、按需更换、规范操作原则,按日常、定期、长期停用、特殊维护分类执行,可有效降低故障率、延长使用寿命:
(一)日常维护(每次使用/每日)
1.开机前检查管路连接、电气接线、泵体及仪表状态,无异常再启动;
2.运行中实时监控压力、温度、油份浓度数据,异常立即停机排查;
3.停机后关闭电源/阀门,短期停用保持设备满水,关闭所有放泄阀、取样口;
4.每日清洁设备表面,整理线路/水带,及时修复破损、缠绕问题。
(二)定期维护(月度/季度/年度)
1. 月度维护
1.清洁油位电极,确保油位检测准确;
2.检查排油阀、止回阀密封及动作灵活性,清洁预过滤器;
3.为泵体连杆销加注40号机油,检查水带完好性,老化破损及时更换。
2. 季度维护
1.打开设备盖板/人孔盖,清除内部污染物,检查隔板、焊接部位有无破损;
2.检查滤芯压差,超0.06MPa时清洗/更换(清洗:轻柴油溶油→非石油洗涤剂清洁→干燥重装→清水试运行5分钟);
3.清洗油份浓度计玻璃管,去除油污/悬浮物,确保检测精准。
3. 年度维护
1.全面拆解设备,更换老化密封件/密封圈,检查并更换泵体磨损部件;
2.清洁电控箱内部,测试控制系统联动功能,检测防爆供电模块稳定性;
3.压差超0.2MPa时更换精过滤组件,检查轨道支架卡箍,确保锁紧力≥2500N;
4.做紧密性试验:0.34MPa水压保压10分钟,无渗漏为合格;
5.校验安全阀,确保0.26MPa起跳、0.22MPa回座。
(三)长期停用维护(停用≥6个月)
1.排尽设备内污油污水,全面清洗内部、滤芯、管路及组件;
2.对泵体、阀门、电极等做油封处理,柱塞、密封件涂抹润滑油防腐蚀;
3.关闭所有阀门,加防尘罩,存放于干燥、清洁、通风库房,避免曝晒雨淋;
4.每月启动设备试运行5~10分钟,检查泵体及控制系统状态。
(四)特殊维护及通用注意事项
1.取样时,取样口用丙酮/石油醚除油,放泄1分钟后再取样,确保数据准确;
2.避免洗涤剂、防锈剂、空压机乳化油滴混入舱底水,减少设备处理压力;
3.运行时严禁开启放泄阀,排油/排水需在停机后进行;
4.所有维护操作需在停机、断电、断水后进行,做好安全防护;
5.更换配件需用原厂或船级社认证产品,拆卸部件做好标记,安装确保密封及接线正确;
6.电气部件(电控箱、报警装置)避免进水/油污,用干燥抹布清洁,禁止清水直接冲洗;
7.维护后需试运行,确认性能正常,同时做好维护记录(时间、内容、更换部件、试运行情况)。
综上,YSF系列15ppm舱底水分离器的稳定运行,依赖于对工作原理的准确把握、常见故障的及时排查,以及科学规范的维护保养。严格遵循上述要求,可确保设备持续实现舱底水达标处理,满足船舶防污染法规要求,保障船舶航行安全。
以下为历史经典文章合集链接,需要自取
1.主机启动困难,负荷严重偏离正常值,轮机长“糟心”战斗数天-真心不容易!
2.液压舱盖“跳劲舞”,甲板机头很害怕-三管轮关键时刻放大招,甲机大写的一个“服”.
3.传动皮带断到心理有阴影-分油机这病老中医都难搞!
4.这个YANMAR副机运转中突然滑油低压停车跳电故障-有点难于预料!
5.从太平洋到印度洋的45天,ME-C电喷主机强悍故障来袭!
6.主机滑油消耗暴增-祸首分油机,跑油跑出新高度,有点代表性!
7.分油机压力低报警,三轨说阀门会自己动,机舱闹鬼?一起来捉妖!
8.疑难分析-WARTSIL-RT-FLEX-50D电喷主机某缸喷油时间过长报警!
9.非比寻常的主机单缸排烟温度高、烟囱冒黑烟故障。
10.二例诡异的副机滑油异常消耗事件-元芳!你怎么看?
11.主机这个间歇性排烟温度高的故障-很不简单!
12.1年ME-C电喷主机新船,连续排温低,扫气道着火-事件真相匪夷所思!
13.夜半歌声很“瘆人”,汽笛该进疯人院-到底是什么鬼?
14.船舶空压机滑油容易乳化这个老大难问题,怎么破?
15.破解分油机那些让人迷糊的设计10问-分油机强悍文档来袭
16.空气分配站安全阀总是跳,源起减压阀-都说减压阀有点难,读完这篇都是专家!
17.都说MAN ME-C电喷主机油头难拔-今天我来放个大招!
18.主机滑油压力低,是谁动了机油泵的回油阀?又是闹鬼?-结局刷新你的认知!
19.主机“气功”没练好!老跑气-高级轮机长(陈老轨),教你怎么练!
20二管轮:副机暖缸水温度上不来,系统设计有问题?原来又一次长见识!
21.怪不怪?MAN B&W ME-C电喷主机单单平均指示压力低(Pi),一起来看看。。。。
22.多年数个缸套的代价,这个主机缸套异常磨损有点顽。。。。
23.这个MAN主机排气敲击故障太“坑爹”,99%的人会被忽悠。。。。。。
24.“要命”的某轮克林吊无法启动故障。。。。。
25.这个“懵逼”的主机主轴承滑油低压故障,看完直想哭。。。。。
26.YANMAR副机航行中没有任何先兆停车跳电,这一次可不是滑油低压。。。。。
27.低硫油给分油机带来的麻烦,怎么解?
28.主机滑油非正常消耗的祸首原来是“它”。。。。。
29.锅炉冒黑烟后又点不着火了,三管轮求援。。。。。
30.应急发电机启动失败故障,走了“山路十八弯”
31.电喷主机伺服油超压,二台伺服油泵流量传感器指示灯不同步了。。。。
32.新主机一周后就开始莫名不断排温高,揉碎了轮机长、服务工程师、机务的心
33.三管轮求援:都没问题,空调温度就是打不下来
34.脑袋想破都难想到的主机抛锚停车再启动“爆燃”故障
35.三管轮问:锅炉得了“哮喘”病,谁有“神药”?
36.克令吊回转马达输出齿轮总是断齿,看船员专家级分析解决方案,读完受益匪浅!
37.看完这个主副机几近全损的惨烈事件,就知道甲板哥们是怎么“坑”机舱弟兄的
38.Westfalia分油机中文解读,下老大功夫了,读完秒懂(含完整视频)
39.在新下水的ME-C主机船上干了11个月,轮机长有不少心得体会与大家分享!
40.用心制作,时下最流行、最易懂的副机WOOD WARD PSG调速器文档来了
41.分油机这个“连环套”,很多人都会“翻车”
42.主机没命,副机剩下半条命,看完真的想把这样的队友拉出去“毙”了
43.MEC电喷主机这个柱塞行程的故障有点乱,没把轮机长少折腾
44.ME-C电喷主机排温高,张老轨听声诊病,把常规诊断方法运用到了极致
45.柴油机游车无解---一起跳电事件引出的“花样”游车线索
46.出厂一年多的副机总漏油且滑油消耗异常,原因有点“烧脑”!
47.副机冷却水进气低压跳电数月无解...背后实情专家难料
48.破解分油机那些让人迷糊的设计10问-分油机强悍文档来袭
49.这个副机机油压力低的毛病,很不简单!
50.大管说头都想破了,拆了6遍,这个分油机跑油的毛病还是一脸懵.......
51.分油机不排渣,还时不时跑油,分油流量再不足这是要完犊子???
52.专家级讲解救助艇的启停,句句GET POINT,看完无压力。
53.关于回油孔式高压油泵,这篇文章有些知识点可能很多人没掌握.......
54.看完这篇ABB(TPS型)透平的文章,再不懂就是自己的问题了.......
55.YANMAR副机安保测试后无法启动了,绕了不少弯,结局着实上了一课...........
56.应急消防泵建压困难,问题多多,看李老轨如何逐一破解.......
57.由某轮舵机遥控和应急舵均失效故障谈舵机的那些硬核知识点
58.从不同角度成功处理副机排烟温度高问题,极具参考价值........
59.主机滑油不明原因乳化,这锅大管轮得背......
60.副机滑油温度长期居高不下,进厂修理越修越差,原因你品...你仔细品...
61.抵港前安全检查,三管轮连续几次启动救生艇不成功,检查一圈有点“迷糊”了.......
62.运转中的MEC主机突发“雷击”般声响...吓得老轨四处张望...多次实验终于查到病源....
63.半年内冰机连续抱轴、连杆断裂,活塞击穿...平时制冷效果也欠佳...想不到的是.....
64.凌晨3点引水登轮准备离港,舱盖关不下急煞众人...小四轨突生妙计破解困局
65.奇了怪!共用一台空调压缩机,左舷房间热,右舷房间凉.......
66.5个故障案例,5000多字,带你“撸透”旋杯式锅炉
67.2个案例6000字...由透平定位环红套滑脱...深度探索副机透平的那些知识点
68.三个造水机“奇葩”案例,带你进入探索之旅
69.滑油分油机跑油,此案教你如何快速排除
70.这里有一份全面介绍ME-C电喷主机的资料...图文并茂...言简意赅!
71.遭遇史上最强三菱分油机故障,二管快“崩盘”...终极版三菱分油机来了
72.锅炉冒白烟,这原因有点玄乎.........
73.三起主机单缸不发火故障,均与Puncture Valve有关...里面还有颇有些学问
74.锅炉火焰忽闪忽灭,整懵圈电机员和二管...原来毛病就在灯火阑珊处......
75.搞懂空调油压差继电器,关键时刻能救空调压缩机的命.....
76.副机使用大负荷时频繁跳电...并车运行也跳电...调速器背黑锅!

