告别环路响应慢!低延迟信号链设计方案来了
简介
电源等闭环系统采用具有控制逻辑的反馈环路。控制算法可以使用模拟或数字电路来实现。模拟控制环路使用固定的电路硬件,因此能够优化特定负载的控制反馈。相比之下,数字控制环路可以针对各种负载进行优化。此外,由于数字控制环路不容易受到无源元件容差的影响,因此数字控制环路可提供更高的精度。
本文讨论了一种低延迟控制电路,该电路使用模数转换器 (ADC) 和数模转换器 (DAC) 来实现数字控制环路。文中分别讨论了针对电流和电压测量进行优化的反馈电路。
数字控制环路
数字控制环路通过模数转换器 (ADC) 进行感应,利用处理器或 FPGA 进行控制,并通过数模转换器 (DAC) 来调节实验室仪器(例如电源、源测量单元和电子负载)的输出。仪器中数字控制环路的主要目标是,在负载条件或输入电压发生变化时保持稳定的输出电压或电流。可以根据负载调整控制算法,尽可能缩短仪器输出的稳定时间。
仪器中的典型数字控制环路包括以下元件,如图 1 中所示:
1. 测量单元:该元件测量仪器的输出电压和/或电流,并将测量值转换为可由控制器处理的数字信号。
2. 控制器:控制器接收仪器输出的数字测量结果,并计算误差信号,即测得的输出与参考信号之间的差异。然后,由控制算法对误差信号进行处理,以便确定需要应用于仪器的控制输入。
3. 控制算法:该元件处理错误信号,以便确定应用于仪器的控制输入。该控制算法可以基于简单的比例积分微分(PID) 控制器,或更复杂的控制算法(如线性或非线性控制器)。
4. 数模转换器 (DAC):DAC 负责将数字控制信号转换为可应用于仪器的模拟信号。
图 1. 数字控制环路方框图数字控制环路的稳定时间或响应时间取决于控制算法调整 DAC 输入来补偿输出电压变化的速度。
调整 DAC 输出电压的总延迟包括以下几部分:
1. 测量单元测量输出信号所需的时间
2. 控制算法为 DAC 生成新设置所需的时间
3. DAC 输出稳定至所需精度所需的时间
为了尽可能减少输入信号与控制环路响应之间的延迟,测量路径中需要一个用于测量电流和电压的低延迟信号链。
测量单元信号链的主要规格如下:
1. 直流精度:由于测量信号用于调节 DAC 输出信号,因此精确的测量单元可提高系统精度。
2. 宽模拟带宽:这使系统能够快速响应输入信号中的瞬变和负载变化。
电流反馈信号链
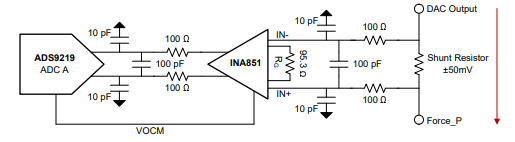
如图 2 所示,电流反馈路径由一个精密分流电阻器、一个电流检测或仪表放大器以及一个低延迟精密模数转换器组成。
图 2. 电流反馈电路示例电路使用了 INA851 和 ADS9219。INA851 是一款具有全差分输出的低噪声、高速仪表放大器。图 3 和图 4分别显示了该电路在过采样率 (OSR) 为 1 和 16 时的直流直方图和阶跃稳定图。
图 3. 电流反馈电路直流直方图
图 4. OSR = 1 和 OSR = 16 时的电流反馈电路阶跃稳定
表 1. 电流反馈电路直流直方图结果
电压反馈信号链
如图 5 所示,电压反馈路径由一个可编程增益放大器 (PGA) 和一个低延迟精密 ADC 组成。
图 5. 电压反馈电路示例电路使用了 PGA855 和 ADS9219。PGA855 是一款具有全差分输出的低噪声、高带宽、精可编程增益仪表放大器。此电路的直流直方图和阶跃稳定图分别如图 6 和图 7 所示。
图 6. 电压反馈电路直流直方图
图 7. 电压反馈电路阶跃稳定
表 2. 电压反馈电路直流直方图结果
精密高速模数转换器
在图 2 和图 5 所示的两个电路中,ADS9219 用于准确快速地测量系统输出信号。通过将测得的模拟信号高速转换为数字值,ADC 有助于尽可能减少输入信号与控制器响应之间的延迟。低延迟 ADC 让系统能够快速准确地响应输入信号的变化,从而有助于提高控制环路的性能。
ADS9219 是一款基于逐次逼近寄存器 (SAR) 架构的 18 位 20MSPS ADC,可将模拟信号转换为以 50ns 为单位的数字值。控制器必须从 ADC 读取数值,此通信会增加 50ns 的时间。因此,控制器可以在 100ns 的总时间内从基于 ADS9219 的测量单元获取一个数字值。
ADC 的精度会影响仪器输出的精度。测量精度取决于测量单元中误差的热漂移和工作温度范围。测量中的偏移和增益误差可在仪器加电后使用校准电路进行校准,以便提高精度。ADS9219 的 18 位分辨率可实现高精度测量,如表 3 中所示。

表 3. ADS9219 的测量精度
结语
数字控制环路针对各种不同的负载进行了优化,与模拟控制环路相比,可实现更高精度的系统。为了启用数字控制环路,测量路径中需要高精度、高带宽信号链。INA851 和 PGA855 是全差分仪表放大器,可与 ADS9219 配合使用来在数字控制环路中实现高带宽、高精度信号链。
