瑞能62mm封装系列模块在大功率焊接设备中的应用
在大功率焊接设备中,
功率模块
的热管理、效率与可靠性,始终是工程师面临的三大核心挑战。
瑞能62mm封装系列模块,凭借其领先的
芯片技术
与卓越的性能,为焊机等大功率应用提供了低损耗、高可靠的解决方案。
技术攻坚:突破高端焊机研发瓶颈
作为全球焊接与切割设备的领军企业,Kolarc始终致力于追求焊接精度与设备可靠性的极致。
在其最新一代高端大功率焊机的研发过程中,Kolarc面临着三重技术挑战:
1高负载下的热管理难题
在重载焊接工况(>500A)下,原有竞品模块的结温过高,导致设备频繁出现过热降频,影响了焊接的连续性和电弧稳定性。
2严苛环境下的寿命要求
焊接现场环境恶劣(高粉尘、电网波动大),功率模块必须具备极强的抗电压波动能力和更长的功率循环寿命。
3系统小型化与功率密度
新一代机型需要在保持体积不变的前提下,将输出功率提升15%,这对功率模块的导通压降和开关损耗提出了极致要求。

瑞能62mm模块技术优势:精准匹配,性能领先
针对Kolarc对“低损耗、高可靠”的严苛需求,瑞能 62mm封装系列模块基于最新的
IGBT
与
Diode
芯片技术,通过对芯片结构与背面缓冲层厚度的深度优化,在核心性能指标上实现了全面提升。
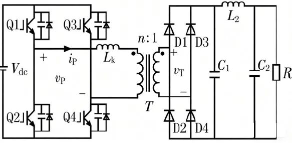
大功率焊机一般采用的是半桥或者全桥软开关
DC
-DC电路,其功率器件工作于ZVS状态。另外,由于开关频率较高,关断损耗(Eoff)在总体损耗中占据主导。为此,瑞能
半导体
技术团队重点优化了器件的开关特性,尤其是关断损耗。
以瑞能WMG200H12TS(1200V 200A 模块)为例,其在关断损耗上的表现明显优于同类产品。
性能 指标 | 竞品 模块1 | 竞品 模块2 | 瑞能 模块 | 优势 分析 |
关断损耗@25°C | 6.2 | 14 | 5.5 | 瑞能Eoff较低,在高频工况下优势明显 |
关断损耗@150°C | 9.1 | 23 | 8.2 |

性能反馈:更低的温升,更高的效率
在实际应用中,采用瑞能62mm模块的大功率焊机(三相全桥软开关DC-DC电路,最大输出25kW,连续输出42V、600A),在短时间内完成了性能验证并成功推向全球市场,展现出优异的性能表现。
1显著降低的温升
在连续满负荷运行2小时后,
红外
热成像显示,在环境温度40°C的工况下,500A输出
电流
时散热器温度是62°C,600A输出电流时散热器温度是80°C,瑞能62mm模块壳体最高温度比同类方案低15°C至20°C。
更低的温升不仅意味着模块本身的安全运行余量大幅提升,也直接简化了焊机的散热系统设计。
2系统效率的跨越式提升
整机在额定工况下的转换效率为85%,明显优于同类产品。
对于焊机终端用户而言,这意味着更低的电费支出与更稳定的长时间焊接输出。

产品列表:规格齐全,应用广泛
瑞能62mm模块系列产品线丰富,可满足不同功率段的选择。目前,该系列产品已经广泛应用于焊机、马达、UPS等领域。

封装
封装
+关注
关注
128
文章
9308
浏览量
148959
功率模块
功率模块
+关注
关注
11
文章
677
浏览量
47015
焊接设备
焊接设备
+关注
关注
2
文章
49
浏览量
8596
瑞能半导体
瑞能半导体
+关注
关注
0
文章
78
浏览量
7203
原文标题:瑞能62mm模块:用“芯”突破,赋能全球焊接技术革新
文章出处:【微信号:weensemi,微信公众号:瑞能半导体】欢迎添加关注!文章转载请注明出处。
